Thông tin chung về sản phẩm:
- Tên sản phẩm: Bồn tắm INAX vách kính SMBV-1000
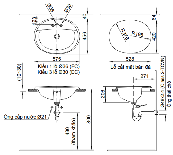
- Kích thước: 575x455x174mm
- Thương hiệu: INAX
- Công nghệ: Nhật Bản
- Nơi sản xuất: Việt Nam
- Kiểu chậu: dương bàn
- Chất liệu sứ cao cấp
- Phủ men bóng, chống hình thành các vết ố do cặn khoáng, ngăn ngừa vi khuẩn phát triển
- Có hai loại chậu:
+ Chậu 1 lỗ (VFC): Ø 36
+ Chậu 3 lỗ (VEC): Ø 30
Bản vẽ kỹ thuật Lavabo inax dương bàn L-2395V
Quý khách có thểm xem thêm các sản phẩm Lavabo INAX khác tại đây >> www.boncauinax.com <<
CHÚNG TÔI CAM KẾT
Là hệ thống phân phối Hàng chính hãng 100%, rộng khắp các khu vực toàn Miền Nam
Đảm bảo mọi quyền lợi cho khách hàng trong suốt quá trình sử dụng sản phẩm
Giao hàng Miễn Phí Toàn Quốc, đầy đủ thông tin, giá rẻ đúng chất lượng
Đặt hàng giá khuyến mãi gọi ngay
Hotline: 0906 273 352 - 08 38 909 888

Xem thêm