Thông tin chung về sản phẩm:
- Tên sản phẩm: Lavabo INAX âm bàn L-2216V
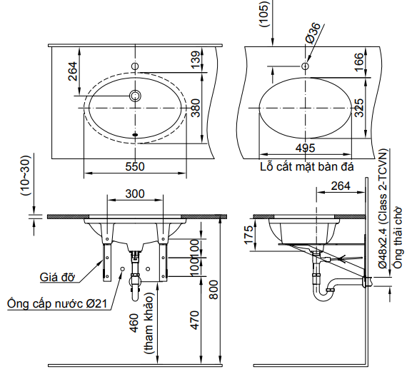
- Kích thước: 550x175x380 mm
- Thương hiệu: INAX
- Công nghệ: Nhật Bản
- Nơi sản xuất: Việt Nam
- Kiểu chậu: chậu âm bàn sang trọng, dễ dàng vệ sinh
- Thiết kế: dáng Oval hài hòa, trang nhã, dung tích vừa
- Chất liệu: sứ cao cấp với men sứ sáng bóng, bền bỉ.
- Lỗ thoát tràn tiện dụng
- Màu sắc: trắng, kem, xanh
- Chống hình thành các vết ố do cặn khoáng, ngăn ngừa vi khuẩn phát triển.
Bản vẽ kỹ thuật Lavabo inax âm bàn L-2216V
Quý khách có thểm xem thêm các sản phẩm Lavabo INAX khác tại đây >> www.boncauinax.com <<
CHÚNG TÔI CAM KẾT
Là hệ thống phân phối Hàng chính hãng 100%, rộng khắp các khu vực toàn Miền Nam
Đảm bảo mọi quyền lợi cho khách hàng trong suốt quá trình sử dụng sản phẩm
Giao hàng Miễn Phí Toàn Quốc, đầy đủ thông tin, giá rẻ đúng chất lượng
Đặt hàng giá khuyến mãi gọi ngay
Hotline: 0906 273 352 - 08 38 909 888

Xem thêm